ZKJ型紅外氣體分析儀
- 品牌:富士電機
- 型號:ZKJ型
- 廠家:日本富士
能測量NOx、SO2、CO、CO2、CH4、O2的紅外氣體分析儀ZKJ型
一、產品簡介:
測量焚燒爐、燃燒排氣、各種工業爐等的NOX、SO2、CO、CO2、CH4、O2氣體分析儀。
1臺分析儀可同時連續測量5組分氣體的組分。

二、特點
最適合測量焚燒爐、燃燒排氣、各種工業爐等的NOx、SO2、CO、CO2、CH4、O2 氣體濃度。
· 最多可以同時連續檢測NO、SO2、CO、CO2、CH4、N2O中的4種組分以及加上O2,最多5種組分的氣體
· 采用mass-flow,幾乎不受其它氣體的影響
· 具有自動校正、O2換算輸出、平均值輸出、報警等豐富的功能
· 采用清晰易見的大型液晶顯示,能同時監視5種組分的濃度變化
· 19英寸柜機安裝結構,很容易構建氣體分析系統
· 備有內置磁氧分析儀或另售品氧化鋯氧分析儀2種測量O2的儀表
· 量程比最大達1:25,而且在指定量程內能自由地進行量程設定、變更
· 漂移為±1%FS/周(0-200ppm以上的量程)





三、氣體采樣系統構成例
下圖是測量鍋爐,垃圾焚燒爐等燃燒排氣監視器的5組分氣體的一般系統構成例。
本公司可建構適合各種用途的系統。

四、ZKJ型紅外氣體分析儀主要規格參數:
測量原理 | 非分散紅外線方式:NOX、SO2、CO、CO2、CH4 | |
測量組分 | 一組分:NOX、SO2、CO、CO2、CH4 | |
測量范圍 | NOX :0~50ppm···5000ppm | |
重復性 | ±0.5%FS(50ppm以下為±1%FS) | |
零點漂移 | 不超過±1.0%FS/周 | |
滿量程漂移 | 不超過±2.0%FS/周(50ppm以下為±2.0%FS/日) | |
線性度 | ±1.0%FS | |
響應時間 | 最遲60秒以內(90%響應)、試樣氣體0.5L/min時) | |
輸出信號 | 各DC4~20mA(線性)或DC0~1V(線性) 接點輸出(CO峰值計數/報警、濃度上下限報警、自動校正中、儀表異常時、量程識別、校正異常等) | |
接點輸入 | 自動校正開始、平均值復位、量程切換、平均值復位、泵OFF等 | |
功能 | 自動校正、O2換算運算、平均值運算、CO峰值計數/報警、輸出信號保持等 | |
環境條件 | -5~+40℃、不超過90%RH | |
電源電壓 | AC100~240V 50/60Hz、250VA | |
外形尺寸 | 483(W)×177(H)×578(D)mm | |
標準測量 | 溫度 | 0~50℃ |
流量 | 0.5L/min±0.2L/min | |
塵埃 | 不超過1μm的微粒, 不超過100μg/Nm3 | |
壓力 | 不超過10kPa(氣體出口側應為大氣壓) | |
氣霧 | 無 | |
腐蝕性成分 | 不超過1ppm | |
水分 | 不超過2℃飽和(應無結露) | |
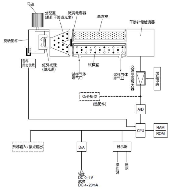
五、紅外式測量原理圖 (NO、SO2、CO2、CO、CH4、N2O)

六、磁氧式測量原理圖 (O2)

七、氣體采樣系統組成示例
下圖是用于監控鍋爐、垃圾焚燒爐等的燃燒廢氣而構建的測量5種氣體組分的常規系統示例。

八、各組件的作用
① 氣體采樣器:帶加熱式不銹鋼過濾器氣體采樣器、過濾網孔徑為標準40μm
② 濾霧器:分離排水及去除塵霧
③ 安全排水回水彎管:防止吸入排水、與定壓擴散器組合動作
④ 吸氣器:用于吸取試樣氣體(試樣氣體流量約2L/分)
⑤ 電子式氣體冷凝器:去除試樣氣體中的水分
⑥ 電磁閥:用于導入校正氣體
⑦ 高分子膜過濾器:在使用玻璃纖維過濾紙或PTFE過濾器除去微細灰塵的同時,主件監視灰塵的附著狀態
⑧ 流量計:調整、監視采樣氣體的流量
⑨ 標準氣體: 是校正分析儀的零點、滿量程的基準氣體。共計使用零點氣體、滿量程氣體NOx、SO2、CO、CO2、O26種
⑩ 氧化鋯O2傳感器:(已內置于分析儀時不需要)是外置氧化鋯式氧傳感器。測量氣體中的氧濃度(0~25%)
⑾ 轉換器:附加于NOx分析裝置中。是使用特殊催化劑將NO2氣體高效地轉化成NO的轉換器
- ZAF型熱導式氣體分析儀2016-04-07
- CEMS煙氣ZPB型紅外氣體分析儀2016-04-07
- 熱處理爐用ZFG型紅外氣體分析儀2016-04-07
- ZFK8/ZKM型直插式氧化鋯分析儀2016-04-07
- ZFKE/ZKME型耐壓防爆型氧化鋯分析儀2016-04-07
- ZSS型激光式氣體分析儀2016-04-07
- ZKJ型紅外氣體分析儀2016-04-07
- ZRJ型紅外氣體分析儀2016-04-07
- ZPG型紅外氣體分析儀2016-04-07
- ZAJ型磁氧分析儀2016-04-07
- 煙氣排放連續監測系統2023-05-06
- 抽取式超低粉塵儀2023-05-06
- 氨逃逸在線監測設備2023-05-06
- 環境空氣非甲烷總烴連續監測系統2023-05-06
- 污染源VOCs監測系統2023-05-06
- 二氧化碳(CO2)排放連續監測系統2023-05-06
- 廢氣非甲烷總烴在線監測系統2022-04-06
- 冶金行業在線氣體分析系統2023-05-06
- 乙炔中氧氣含量分析系統2023-05-06
- 防爆型煙氣連續排放監測系統2023-05-06


當前位置:
需求溝通傾聽客戶需求,了解用戶使用環境和現場工況
方案設計根據現場實際工況,針對性出具解決方案
合同簽訂技術和商務規范確認,簽訂合作協議
產品制作選擇最優質的元器件,嚴格按照技術協議
調試安裝現場規范安裝,靜態動態調試,分析儀運行
售后服務后續維護,持續跟進,終身維修


咨詢熱線